文章详情
去App查看

电池新规不让起火?你们都被媒体骗了!

前不久,工信部发布了GB 38031-2025《电动汽车用动力蓄电池安全要求》,并计划于2026年7月1日起强制执行。有些人看到“国家标准”,“强制执行”这几个字,觉得好似新规实施以后,就可以完全避免电动车着火。真的是这样吗?

首先,我们要看看新规增加了什么测试项目,对比2020年的要求,这次主要增加了&重要修订了三个项目,分别是《热扩散》,《快充循环后安全》以及《底部撞击》。

《热扩散》:除外部加热,针刺之外,这次新增了内部加热的测试方法。对比旧规的着火、爆炸前5分钟需要提供警示信号,新规则需要测试电池2小时内不起火,不爆炸,烟气不对乘员造成伤害。

《快充循环后安全》:重点考察的是电池电量20%-80%充电时间少于15min的超快充车型,新规要保证在连续300次快充循环后,在短路测试中依然符合上面的热扩散要求。

《底部撞击》:用一个半径15mm的半球形钢材,以竖直方向150J的能量撞击电池底部,涵盖电池前中后三个部位,并仍然满足热扩散要求。

以上就是这次新规的重点,可以看到通过《热扩散》条件的修改,整体增加了电池测试的基准安全水平。安全性方面,确实有所提高。

再让我们看看起草人:宁德时代新能源科技股份有限公司 、中国汽车技术研究中心有限公司 、合肥国轩高科动力能源有限公司 、比亚迪汽车工业有限公司 、工业和信息化部装备工业发展中心 、中汽研新能源汽车检验中心(天津)有限公司 、北京航空航天大学 、中创新航科技集团股份有限公司 、瑞浦兰钧能源股份有限公司 、深圳市比亚迪锂电池有限公司 、北京新能源汽车股份有限公司 、国联汽车动力电池研究院有限责任公司 、欣旺达动力科技股份有限公司 、惠州亿纬锂能股份有限公司 、浙江极氪汽车研究开发有限公司 、小米汽车科技有限公司 、中国第一汽车集团有限公司 、丰田汽车(中国)投资有限公司 、日产(中国)投资有限公司 、深蓝汽车科技有限公司 、上海汽车集团股份有限公司技术中心 、蜂巢能源科技股份有限公司 、梅赛德斯一奔驰(中国)投资有限公司 、本田技研工业(中国)投资有限公司 、宝马(中国)服务有限公司 、大众汽车(中国)投资有限公司 、东风汽车集团股份有限公司 、天津力神新能源科技有限公司 、长春汽车检测中心有限责任公司 、上汽通用五菱汽车股份有限公司 、广州小鹏汽车科技有限公司 、万华化学集团股份有限公司 、中汽研汽车检验中心(常州)有限公司 、特斯拉(上海)有限公司 、沃尔沃汽车(亚太)投资控股有限公司 、捷豹路虎(中国)投资有限公司 。

看到了吧,几乎所有的市售电池和新能源厂家全都参与了这次新规的制定,他们是运动员,也是裁判。所以这并不是什么需要所有厂家放弃以前的旧技术,需要通过革新和创造才能通过的严苛法规,只是一个目前稍微垫垫脚就能够到的新标准。

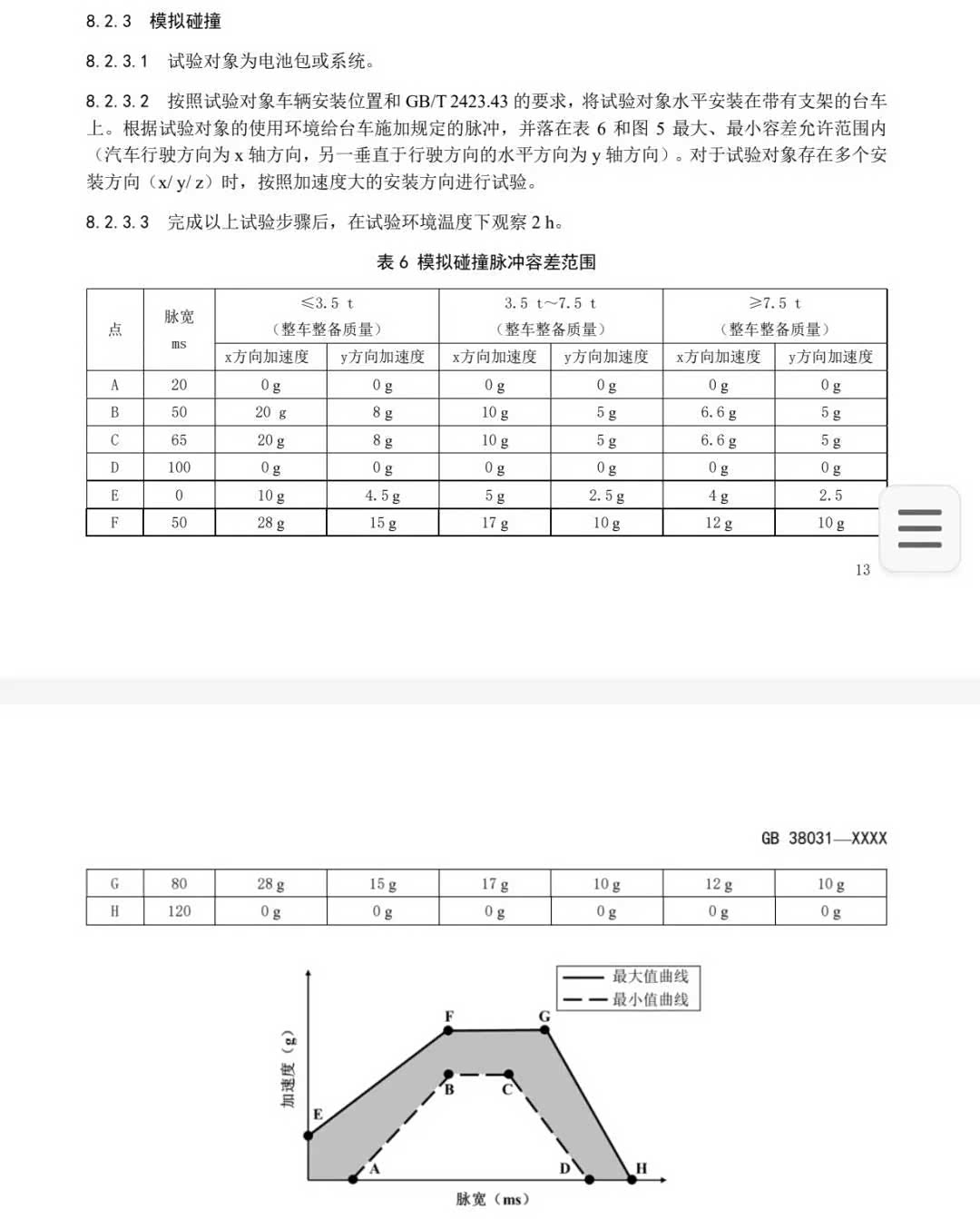
其次,这是测试情况下不起火,而不是任何情况下不起火。实际情况不能完全参考测试情况。举个例子,上图为国标电池碰撞测试的加速度要求,按照最严格的方式计算,X向最快的速度不到50km/h,Y向为26km/h。类似之前大众100时速和小米90时速的碰撞后起火,按照新规的定义,并不能说这两台车的电池不合格。

再者,现在电池的物理特性就决定了它在某些情况下就是会着火,这种问题神仙来了都是先拿灭火器。标准只是提高出事的门槛,降低风险,但不能杜绝。

最后,说一些大家不知道的冷知识:目前中国是禁止部分磷酸铁锂电池专利出口的,而对于中大型电化学储能电站,国家也是明令禁止不得选用三元锂电池和钠硫电池的。

说到这里,你应该明白了我这篇文章想要传达给你的信息。标准不能杜绝电池在任何情况下都不着火,这是谁也做不到的事。不管是工信部还是部委,亦或是厂家,做新规的目的是“小步快跑”而不是强人所难,所以也不存在大跨步式的标准提高。但不管电池测试规则有多严格,都不能保证绝对的安全。无论是油车还是电车,决定安全最关键的,永远都是坐在驾驶位上的人。

点击展开剩下0%
打开汽车之家App 阅读体验更佳
本内容来自汽车之家创作者,不代表汽车之家的观点和立场。
举报/纠错
打开汽车之家App 查看全部评论
相关阅读
数据加载中...
发条有爱评论~
评论
点赞
收藏
分享
2025-12-14 01:20:52
2025/12/14 01:20:52