文章详情
去App查看

剖析韩国陆军现役起亚0.25吨轻型越野车

通过解读韩国陆军现役起亚0.25吨级通用轻型指挥车,研判韩国陆军防御北朝鲜人民军及我人民解放军战术攻击新思维。

作为韩国陆军装备量最大的,0.25吨级轻型越野指挥车起亚KM420,至今已装备了超过3000台。其在韩军中的地位就犹如我人民解放军的BJ212、美军的威利斯吉普车、日军的三菱73式吉普车那样重要。

早在伟大的抗美援朝开始,南朝鲜伪军就装备了大量威利斯吉普车。从1970年代至1990年代初期,韩军装备的0.25吨级的越野车,起亚承担了其中大部分的生产任务。当然在此期间,韩军也装备了为数不少的美军M151系列轻型指挥车。在1999年编号为KM420的起亚0.25吨级的轻型指挥车(基型车)与多达7种的改款车开始进入韩国军队服役。

KM420装备了一台2.0T的涡轮增压柴油机。手动5前速变速器搭配带有高低速的分动器使整车具有四轮驱动的能力。前双A臂独立悬架软轴驱动、后拖曳臂半独立硬轴驱动。三门双排座5名成员,前风挡玻璃可向前折叠、软蓬可拆卸,整车总体架构与美军M151通用吉普相似。

KM420采用起亚FE2.0升排量、直列四缸柴油增压发动机(部分车型为汽油机),详细技术参数如上图。

长宽高分别为3900mm/1930mm/1740mm,轴距2360mm。

车重1.59吨,有效载重0.68吨。

拥有四驱高速和四驱低速的的分动器,控制KM420的驱动状态,前后差速器可以加装差速锁。

KM420的柴油发动机为起亚自行研发,输出最大91英制马力。

这款军方编号KM420的轻型指挥车,前悬架为双A臂独立架构。

红框是起亚KM420前悬架的下A臂、黑框是上A臂,蓝框则是前减震总成。

上图是起亚KM420的前差速器零件结构建图。

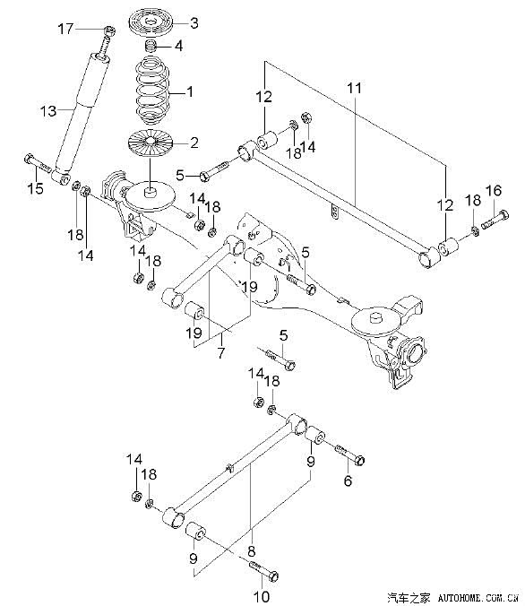
上图是起亚KM420后悬架的结构简图——采用硬轴驱动,上推力杆、下推力杆和止推杆构成的5连杆带螺旋簧的非独立悬架设定。

这是即将上市的北汽BJ40前悬架的特写。

上图是即将上市的北汽BJ40的后悬架的特写。

起亚KM420前后悬架都安装在梯形大梁上,采用这样的非承载式车身使KM420的通过性和抗扭性更符合他军用车的身份。总体来看KM420的前悬架与BJ40的前后悬架和传动形式与BJ40日军的三菱73式吉普大同小异。都是前独立悬架后非独立悬架行驶,虽然这样的设定相对传统的BJ212以及威利斯吉普车那样前后硬轴非独立悬架的通过性弱些,但是通过提高发动机功率,增加传动效率换取更出色的通过性并获得更优秀的操控性。

起亚KM420的仪表台与其民用车RETONA的几乎相同,只不过在用料做工上采用简化措施。空调与暖风系统为其标配。

起亚KM420前照灯、转向灯和防空灯等全部单独配置。前格栅有防撞杠予以保护,前保险杠为钢制并配有双侧拖车钩。

这款KM420的四驱系统,采用了与起亚汽车旗下的霸锐越野车(3.8升排量V型6缸发动机,搭载5前速手自一体变速器和高低两速分动器)相似的结构。而霸锐作为民用车特装车因其出色的通过性和充足的动力储备,成为韩军制式装备。

同样作为民用车而进入韩军服役的越野车双龙雷斯特的通过性也有不俗的表现。

在1994年韩国防部向起亚汽车发布了,关于为军方研发一款新型0.25吨级指挥车(含改型车)的意向书。起亚汽车作为拥有44年历史的老牌军用车辆制造公司,为韩军提供了包括卡车、装甲车、特种车、运输车以及部分航天器材在内的各型军用载具。在起亚汽车收到意向书后,决定将旗下民用越野车RETONA进行改进和换装,在1997年完成符合军方要求的0.25吨级轻型指挥车的研发,并命名为RETONA-M。

1999年初这款起亚RETONA-M完成了军方的测试,正式成为韩军标准通用0.25吨级指挥车,军方编号为KM420。在此后的2年中,起亚为军方在KM420基础上研发出不少于7款的改型车,这其中最具代表性的5款改型装备分别为:

KM420标准型通用指挥车。全车荷载4人,装备到韩陆军连排级指挥部。

KM421 NBC侦察车,加装更调频双边保密电台,主要配发韩军靠近38线附近的第一军团的侦查部队。

KM422陶氏反坦克导弹发射车,加装美国休斯飞机公司研制的第二代陶氏反坦克导弹,备弹4枚实载5枚。

KM423反坦克导弹补给车,为KM422配套车型,可运载8枚陶氏反坦克导弹。

KM424搭载了来自斗山生产的106mm口径的无后坐力炮,全车备弹10发。

KM426集成了40mm口径自动榴弹发射器。

就目前掌握的有关KM420系列车的改型来看,韩国陆军并没有为这款车集成更丰富的装备,原本0.25吨级的承载量也不可能有太多的变形车出现。而美军早在1986年开始将M151吉普车换成了1.5吨级更重的悍马系列,因为载重量增加美军的悍马变型车多达30余种。在韩国军方看来,南北朝鲜在三八线对峙的现状或许还将持续10年或更长时间(1990年代末期韩国防部认为南北统一将不会在近期内出现),北朝鲜多山地,而南朝鲜地势平坦、高速公路网发达,因此经济富饶。韩军原本的装甲力量对北朝鲜人民局具有压倒性优势,因而将其履带式突击兵器的研发重点开始向轮式装甲车辆倾斜。在驻韩美军换装M1A2系列主战坦克后,韩军更将美军的“快速打击旅”概念应用在韩军上,凸显出跟随美军脚步的战略意义。在实际应用中韩国陆军装备了KM420、KM250、KM500以及KM100系列等不同吨级的轮式车辆后,确实显著提高其快速打击部队行动效率。

不能否认的是,KM420系列轻型指挥车族作为前线通勤车辆还是可以较好满足韩军的基本使用。但是如果北朝人民军再来一次“星期天的突袭”以天马虎坦克(装备125mm口径的滑膛炮)作为突击主力,122mm口径以上各型火箭炮、榴弹炮作为火力支援瞬时对汉城进行急速射。哪怕韩军将最快反应速度控制在5分钟内,恐怕汉城以及附近的首都师团都要遭到毁灭性的打击。作为抵御北朝人民军的辅助打击力量,KM422陶氏反坦克导弹发射车以及KM424无后坐力炮机动车的攻击力还是值得肯定的。

从日本某网站了解到,韩军各军兵种的编制以及作战区域划分和装备一目了然。KM420系列几乎成为韩军一个重要标志,这也从另一方面说明了这款轻型指挥车深得韩军的信赖。

上图是笔者在南朝鲜38线附近的共同警备区拍摄到,“联合国军”下属的韩军宪兵使用的起亚KM420轻型指挥车特写。

从地缘政治角度来看,韩国的唯一靠山美国不会在朝鲜半岛永远存在,对日的态度韩国从来没有真正的强硬过。因此他们将势力突破口转向了东南亚,从对中国包围的层面上看,这样的发展都是美国日本所乐意的。在东南亚韩国与印尼、马来以及印度都有着不同层面的军事政治合作。自2007年,韩国的现代、斗山、起亚以及三星等军备大厂,就将不同军用物资出口至印度尼西亚。起亚的KM420系列轻型指挥车也随之出口至印尼,并且根据印尼武装的需要进行不同程度的改装。上图是印尼武装使用的KM420的防暴车改型,鉴于印尼这样东南亚国家政局不稳动乱频出的国家,起亚KM420的机动灵活保养简便还是比较适合。

KM250系列越野车为福特原型车经过本土化的产物。

KM500系列重型三轴6轮驱动的越野卡车原型车也是美军制式装备。

KM1000系列四轴8轮驱动的载具,是起亚引进德国MAN重卡技术的产物。

现在韩国军备中几乎所有的轮式车辆都是由起亚汽车提供,其军用车辆产品线包括轻型KM420至KM250、中型KM500甚至KM1000系列重型载具。或许是拥有近50年的军备制造经验,让起亚汽车成为韩军最大的轮式载具供应商。根据第一次朝鲜战争爆发后至今韩军四次作战态势的改变,其装备也在发生不同的革新。从固守待援到有限反击,再到主动出击的作战新思维,直接影响到了韩军的作战装备的技战术变化。

点击展开剩下0%
打开汽车之家App 阅读体验更佳
本内容来自汽车之家创作者,不代表汽车之家的观点和立场。
举报/纠错
打开汽车之家App 查看全部评论
相关阅读
数据加载中...
发条有爱评论~
评论
点赞
收藏
分享
2026-04-30 20:05:20
2026/4/30 20:05:20