科普|来碗技术干货,变速箱是如何传递动力的

W动力 2018-07-26 15:59:45 显示图片

科普|来碗技术干货,变速箱是如何传递动力的



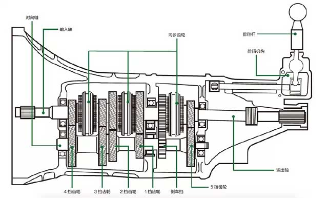
引擎运转的转速通常都是数千转/分,但是轮胎并不是随时都以如此高的速度在旋转,因此需要一种能够在引擎转速不变的情况下,改变车轮转速的装置。我们经常听到AT、CVT、DCT这些称呼,这些便是变速箱种类的名称,而变速箱正是在汽车中扮演这个角色的重要装置。

变速箱通过搭配各种大小、齿圈数的齿轮来合理匹配引擎转速与车轮转速。变速箱的工作依据着一个简单的物理原理:将某个大小、齿数固定的主动齿轮与一个比它更大的从动齿轮搭配,从动齿轮越大,其转速越低,但也越能够产生扭矩放大的效果;若是搭配比主动齿轮更小的齿轮,则从动齿轮越小,其转速越高,但扭矩也会相应降低。 

于是,在汽车起步或者加速时,车辆所需要的扭矩较大,就需要用上较低的挡位,但在低挡位下引擎扭矩虽然得到放大,但因为从动齿轮的最终输出转速较低,即便引擎转速很高,车速也并不会很快;而在汽车以匀速进行巡航时,并不需要太多的扭矩,用上高挡位,就能实现以较低的引擎转速实现较高速度的行驶。现代汽车的变速器结构十分复杂,内部往往有许多种不同的齿轮搭配方案,挡位数也从早期的2、3个前进挡进化到9个甚至更多。

AT 自动变速器


自动变速器利用液力变矩器替代传统手动变速器中离合器的作用,实现变速器与引擎间的柔性连接。自动变速器能够根据车速与引擎转速,结合对当下行车状况的判断,利用液压回路与行星齿轮组,自动切换适当的变速比。但因为其与引擎间采用柔性连接的方式,会损失掉一部分引擎功率,效率并不算太高。不过先进的自动变速箱已拥有锁止技术,很大程度上弥补了效率不高的弊病。 

CVT 无级变速器


无级变速器内部没有复杂的齿轮结构,它通过变化由金属链条(带)连接的两组滑块与锥形盘滚轮的直径来连续不断地改变减速比(原理与大小齿轮搭配相同)。由于以锥形盘替代了齿轮组,无级变速器理论上在一定变化范围内拥有无穷多的挡位组合,同时在改变减速比对不会产生顿挫,舒适性较高,且效率出众。但亦因为其采用钢带进行动力传递,在与大功率引擎匹配时如何保证不打滑是个难题。 

DCT 双离合变速器


双离合变速器利用两套离合器分别控制奇数挡位与偶数挡位,并以电脑来自动控制离合器的分离与结合。双离合变速器既拥有手动变速器的高效率,又拥有快过传统手动变速器的换挡速度,同时还兼有自动变速器的便捷操作性。目前各大汽车品牌对旗下的双离合变速器有不同的命名,例如大众集团的DSG与福特集团的Powershift。

 经常听说的“尾牙”——终传齿轮

介于引擎与驱动轮/差速器之间,在传统系统中作最后一道减速比调整的齿轮组叫做终传齿轮,也就是俗称的“尾牙”。在整个传动系统中,终传齿轮与变速箱有着相互补强的关系,引擎的转速通过变速箱的第一次减速,要再通过终传齿轮作进一步减速,才最终传递到驱动轮。而在纵置引擎的车型中,终传齿轮还负责将纵向传递的引擎动力作90°旋转,以横向传递到驱动轮。 

终传齿轮的减速比直接影响到引擎乃至车辆的动力性能,想要加速更快,只需要将终传比加大,但需要注意的是,在引擎最高转速不发生变化的前提下,最高车速也会相应降低;而如果是想要降低各车速下的引擎转速来降低油耗,则只需要相应减低终传比。