浅谈THS及iMMD

车叫兽 2021-07-31 19:58:42 显示图片

浅谈THS及iMMD



随着汽车电气化技术的推进,以电机作为主要动力的HEV混动系统主要分为两种,一种是丰田独占的THS行星齿轮组混合动力系统,另一种则是以本田iMMD为代表的带有发动机直驱功能的混合动力系统。

 

THS
THS

两种混动系统的基础思路都是在中低负载下用电机驱动车辆,让高热效率的阿特金森循环发动机工作在最高效区间发电给电机直接供电或给蓄电池充电,目的都是规避内燃机的低效率区间。丰田之所以称自己的THS技术的传动机构为E-CVT,是因为它确实可以实现所谓的变速效果,THS通过行星齿轮组结构对电动机、发动机以及发电机进行了啮合,原理这里就不展开了。笼统地说电量充足的情况下,中低速低负载情况下丰田THS主要以纯电行驶,发电机此时会反向空转;中低速高负载,发动机、发电机、电动机协同工作提供最大加速度,高速情况下,这套传动系统的限制,发动机必须参与启动来调和发电机的转速并同时驱动车辆;而充电工况下,发动机会一直保持启动状态,驱动发电机为电池充电的同时承担一部分驱动动力;而在制动减速工况下,电动机和发电机参与为电池充电。从能量流角度讲,THS系统更加偏向于发电机、电动机、发动机三者的协同驱动车辆,在低中高速的情况下都有相对均衡的动力及能耗表现,体现在日常驾驶中,搭载丰田THS混动系统车型的油耗不会在高速工况有特别明显的升高。但是THS在纯电工况下会反向带动发电机,高负载及高速工况发动机也必须分担部分动力用来充电,理论上会造成部分能量的浪费。

 

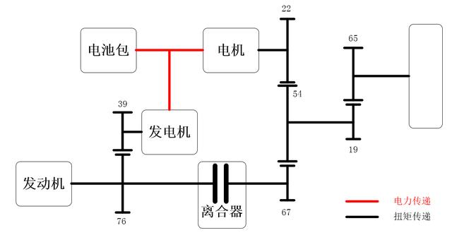
iMMD
iMMD

本田iMMD的做法就会显得简单粗暴一些,发动机与发电机连接并在输出轴间设有一组离合器可在直驱与发电工况切换,发动机和发电机最终都只通过一个主减速齿轮对车辆进行驱动。所以理论上iMMD的传动系统不能称为E-CVT,叫有发动机直驱功能的增程式混合动力系统反而更加合适(手动狗头)。言归正传,因为iMMD的直驱模式是服务高速巡航工况的,主减速器的齿比设计的相对较小,所以大多数时间发动机与输出轴的离合器脱开,完全作为一个增程器为电机和电池供电。也正是因为大多数时间发动机不用直接驱动车辆,所以在中低负载时,发动机只需要在熄火和最佳热效率点两种情况切换就可以了。大动力请求时,发动机则以高功率运转发电,与电池协同为电机供电。最后高速巡航工况,我们不能笼统的套用iMMD的直驱模式,前文提到为了服务巡航,主减速器齿比设定比较小,然而高速公路不可能一马平川,总会有需要上坡和超车的情况,此时车辆就会自动切换到串联模式保证动力输出。在日常驾驶的表现上,本田的iMMD对中低速的城市道路会有更好的能耗表现,而高速情况下能耗表现相对较高。 

八代凯美瑞
八代凯美瑞
十代雅阁
十代雅阁

最后结论就是,iMMD系统并不像大家心中以为的比THS在高速工况下有更好的能耗表现,反而理论上相对会有更好的城市道路表现,主要体现在iMMD在中低速情况下能量损失小于THS的行星齿轮机构。反观THS系统的物理结构决定了发动机、发电机、电动机三者始终保持着相互制约相互“糅合”的工作状态,以丰田几十年的技术积淀,反而会在日常复杂的交通环境就更好的适应性。